KFSE-143-20
Broaching Standoffs – Types KFE, KFSE
KFSE-143-20
Broaching Standoffs – Types KFE, KFSE
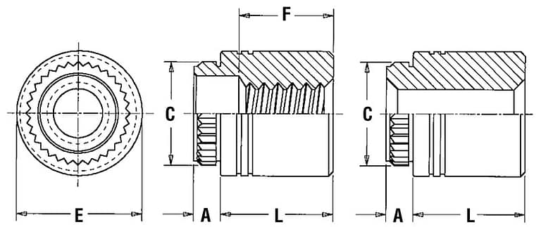
Type KFE and KFSE – Broaching standoffs, threaded or unthreaded for stacking or spacing.
Specifications
- For Use in Sheet Hardness
- HRB 70 / HB 125 or Less|PC Board
- Length Code
- 20
- Product Category
- Broaching Standoffs – Types KFE, KFSE
- Thread Type
- PEM standoffs: Broaching for PC boards
- Application Type
- Automotive, Automotive Electronics, Datacom, Telecom
- Base Panel Material
- PC Board
- Brand
- PEM
- Fastener Characteristics
- Threaded Internal
- Industry
- Automotive Electronics, Datacom & Telecom, Electic Vehicles, Industrial & Commercial
- Installation Equipment/Method
- C-Frame Manual Feed
- L Len Pm 005in Or 13mm
- 0.625in
- Product Type
- Standoffs
- Technology Type
- Broaching
- Unit (Metric/Unified)
- Unified
- A Shank Max
- 0.06in
- C ± .003_in
- 0.231in
- E ± .005_in
- 0.281in
- Hole Size in Sheet + .003 – .000_in
- 0.213in
- Min. Dist. Hole C/L to Edge_in
- 0.22in
- Min. Sheet Thickness_in
- 0.06in
- Thru Hole + .004 -.003_in
- 0.143in
- Thru-Hole Code
- 143
Inventory
| Distributor | Quantity | Contact | Phone | Address | Locations |
|---|
