AS-M3-2ZI
Floating Self-Clinching Fasteners A4, AS, AC
AS-M3-2ZI
Floating Self-Clinching Fasteners A4, AS, AC
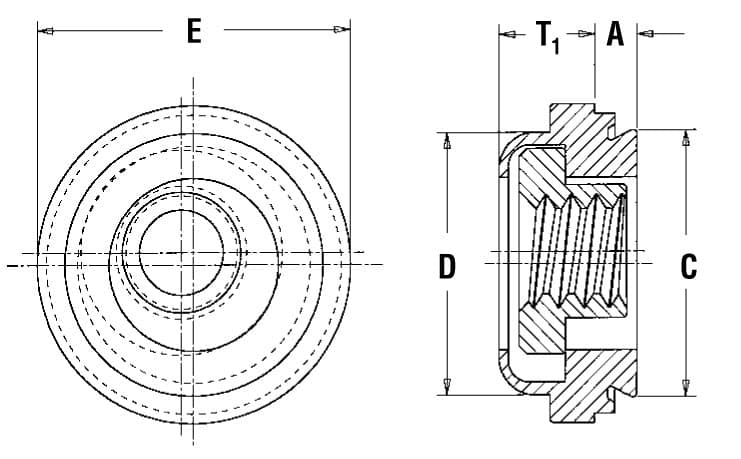
Locking and Non-locking Threads These fasteners provide load-bearing threads in thin sheets and permit up to 0.76mm adjustment for mating hole misalignment.
The self-clinching feature offers fast and simple assembly. The fasteners are squeezed into prepared holes using any standard press. The sheet remains flush on one side, and the fastener is permanently locked in place.
Extra strength and support in assembly is obtained by the threads of the floating nut extending fully into the retainer shank (a unique PEM feature). A self-locking version of the fastener is also offered. Thread locking torque performance is equivalent to applicable NASM25027 specifications.
Non-locking Type A4 and self-locking Type LA4 fasteners provide load-bearing threads in stainless steel sheets as thin as 0.97mm with hardness up to HRB 88 on the Rockwell “B” scale.
Many PEM Type AS and AC self-clinching floating fasteners correspond to sizes in US NASM45938/11 specifications. Check our web site for a complete Military Specification and National Aerospace Standards Reference Guide (Bulletin NASM).
Specifications
- Thread Code
- M3
- Thread Size X Pitch
- M3 x 0.5
- Shank Code
- 2
- Fastener Materials – Nut
- Carbon Steel
- Fastener Materials – Retainer
- Heat-Treated Carbon Steel
- Standard Finish – Retainer & Nut
- Zinc plated per ASTM B633, SC1 (5µm), Type III, colorless
- For Use in Sheet Hardness
- HRB 70 / HB 125 or Less
- Float
- 0.38mm minimum, in all directions from center, 0.76mm total
- Product Category
- Floating Self-Clinching Fasteners A4, AS, AC
- Thread Type
- Non-Locking
- Thread Type
- PEM nuts: Floating
- Brand
- PEM
- Fastener Characteristics
- Floating
- PEM Product Family
- ALA
- Product Type
- Nuts
- Technology Type
- Self-Clinching
- Unit (Metric/Unified)
- Metric
- E ± 0.38_mm
- 9.14mm
- Hole Size in Sheet + 0.08_mm
- 7.37mm
- Min. Dist. Hole C/L to Edge_mm
- 7.62mm
- Min. Sheet Thickness_mm
- 1.38mm
- C Max._mm
- 7.35mm
- D Max._mm
- 7.37mm
- T1 Max._mm
- 3.31mm
Installation & Performance Data
| TYPE | THREAD CODE | SHANK CODE | TEST SHEET MATERIAL | INSTALLATION (kN) | RETAINER PUSHOUT (N) | RETAINER TORQUE-OUT (N•m) |
|---|---|---|---|---|---|---|
| AC, AS, LAS, LAC | M3 | 1 | 5052-H34 Aluminum | 6.7 | 956 | 7.3 |
| AC, AS, LAS, LAC | M3 | 2 | 5052-H34 Aluminum | 8.9 | 1000 | 9 |
| AC, AS, LAS, LAC | M3 | 1 | Cold-Rolled Steel | 13.3 | 1334 | 9.6 |
| AC, AS, LAS, LAC | M3 | 2 | Cold-Rolled Steel | 13.3 | 1334 | 16.9 |
Inventory
| Distributor | Quantity | Contact | Phone | Address | Locations |
|---|
